Профессиональный строительный инструмент и оборудование
Каталог инструментов
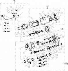
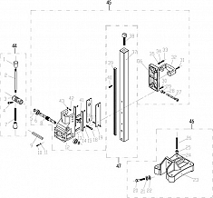
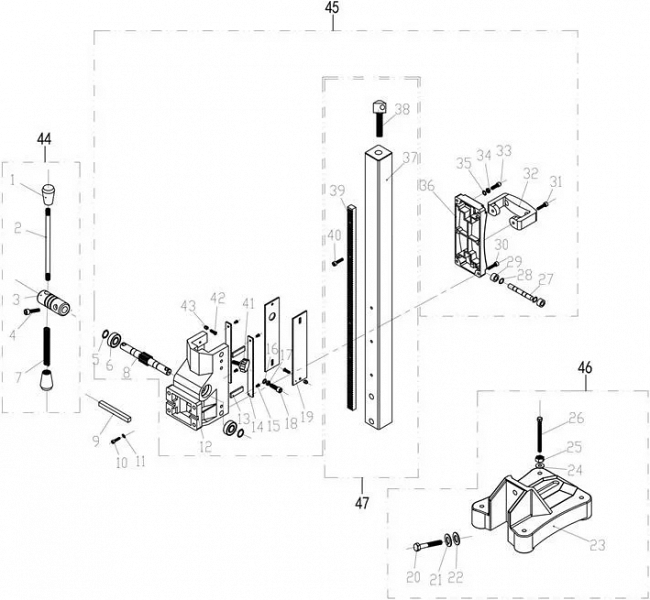
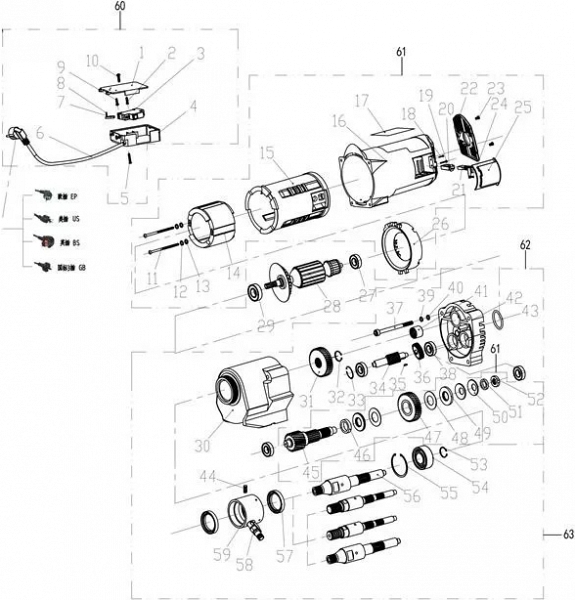
Установка алмазного бурения Saturn OB-180
Установка алмазного бурения Saturn OB-180 (Сатурн ОБ-180) предназначена для сверления круглых отверстий Ø 20 – 180 мм в бетонных, железобетонных, базальтовых, асфальтовых и других поверхностях под трубы вентиляции, теплоснабжения, водоснабжения и подобных коммуникаций.
Производитель: SATURN (САТУРН) – Россия.
Преимущества установки алмазного бурения Saturn OB-180:
- Корпус двигателя из алюминия хорошо отводит тепло во время работы
- Небольшой вес
- Рукоятка для переноса
- Поставляется в картонной коробке
Цена и технические характеристики установки алмазного бурения Saturn OB-180:
Оборудование для алмазного бурения
- Установка алмазного бурения
- Установка алмазного бурения с микроударом
- Дрель алмазного сверления
- Дрель с микроударом для алмазного бурения
- Керноотборник для асфальтобетона
- Двигатель алмазного бурения
- Двигатель алмазного бурения с микроударом
- Станина для алмазного бурения
- Станина для алмазного бурения с микроударом
- Алмазные коронки
- Доп. оборудование к технике алмазного бурения
-
Алмазные коронки по железобетону Kern Diamond Bit Concrete Premium 122 ммДиаметр: 122 ммРабочая длина: 450 ммЦена: 13 200 руб.
-
Алмазные коронки по железобетону Kern Diamond Bit Concrete Premium 500 ммДиаметр: 500 ммРабочая длина: 450 ммЦена: по запросу
-
Станок для гибки скоб и хомутов из арматуры Vpk Г-16Мощность: 1.5 кВтСкорость вращения диска: 20 об/минЦена: по запросу
-
Алмазная коронка для сухого бурения с микроударом Адель Diamond Hit DH-D400 122 ммДиаметр: 122 ммРабочая длина: 450 ммЦена: 8 800 руб.
-
Трубогиб электрический гидравлический Kern до 2Диаметр труб: 1/2" - 2"Мощность: 0,75 кВтЦена: 160 879 руб.
-
Алмазные коронки по железобетону Kern Diamond Bit Concrete Premium 42 ммДиаметр: 42 ммРабочая длина: 450 ммЦена: 6 000 руб.
-
Алмазная коронка для сухого бурения с микроударом Адель Diamond Hit DH-D400 32 ммДиаметр: 32 ммРабочая длина: 450 ммЦена: 3 900 руб.
-
Алмазные коронки по железобетону Kern Diamond Bit Concrete Premium 375 ммДиаметр: 375 ммРабочая длина: 450 ммЦена: по запросу
Новости
-
26.11.2025Новые поступления для серьёзной работы: спираль и адаптер от Crocodile
-
21.11.2024Поступление желобонакатчиков GruvMaster - Новинка на Российском рынке!
-
27.12.2023С новым 2024 годом!
-
20.12.2022Режим работы в Новогодние праздники
-
12.10.2022ФСБ сообщила о попытке теракта с ПЗРК «Игла» в Подмосковье












Отзывы
Оставьте Ваш отзыв